索 引 号 :015000185/2024-00101发文字号 :青政办〔2024〕44号
发布机构 :青海省人民政府办公厅公文时效 :有效
主题分类 :商贸、海关、旅游;其他成文日期 :2024-11-01
青政办〔2024〕44号
各市、自治州人民政府,省政府各委、办、厅、局:
民航青海监管局、省无线电管理办公室《青海省民用机场电磁环境保护管理规定》已经省政府同意,现印发给你们,请结合工作职责,认真抓好贯彻落实。
青海省人民办公厅
2024年11月1日
(此件公开发布)
青海省民用机场电磁环境保护管理规定
民航青海监管局 省无线电管理办公室
第一章 总 则
第一条 为加强青海省民用机场电磁环境保护工作,保障民用航空无线电频率正常使用,根据《中华人民共和国民用航空法》《中华人民共和国无线电管理条例》《民用机场管理条例》《青海省民用机场管理条例》《运输机场运行安全管理规定》和《民用机场电磁环境保护区域划定规范与保护要求》等法律、法规、规章和规范性文件,结合本省实际,制定本规定。
第二条 本规定适用于本省行政区域内民用机场(含军民合用机场的民用部分)电磁环境保护区域的划定、保护和管理。
第三条 省级人民政府应当加强对民用机场管理工作的领导,制定本行政区域内的民用机场建设规划,并将其纳入国民经济和社会发展规划,采取必要措施,鼓励支持民用机场发展。
民用机场所在地市(州)级人民政府应当加强民用机场电磁环境保护工作的领导和组织,将其纳入本地安全生产责任目标考核体系,建立完善工作责任制和协调机制,研究解决工作中的重大问题,督促各有关部门依法履行民用机场电磁环境保护职责。
民用机场所在地乡(镇)人民政府、街道办事处、开发区管理机构、村(居)民委员会应当协助做好民用机场电磁环境以及相关设施、设备的保护,宣传普及民用机场电磁环境保护相关法律法规知识,增强公众对民用机场电磁环境保护的安全意识。
第四条 无线电管理机构负责民用机场电磁环境保护区域无线电监测、干扰查处工作,以及无线电台(站)的审批。
民航青海安全监督管理机构负责本省民用航空无线电业务和电磁环境保护的监督管理工作,对机场管理机构、空中交通管理部门等用频单位遵守、执行本规定进行监督,并配合无线电管理机构做好无线电干扰排查工作。
第五条 机场管理机构、空中交通管理部门和其他民用航空无线电台(站)设置使用单位负责所属电磁环境保护区域的日常管理工作,建立完善巡视检查、干扰申诉、信息报告等制度。
第六条 民用机场所在地县级以上人民政府及发展改革、自然资源、住房城乡建设等有关部门应当将依法划定的民用机场电磁环境保护区域纳入当地国土空间总体规划管理。
相关规划部门在审批可能影响民用机场电磁环境保护及民用航空无线电台(站)电磁环境保护的建设项目(见附件1)时,应当书面征求无线电管理机构和民航青海安全监督管理机构的意见。
第七条 无线电管理机构、民航青海安全监督管理机构、机场管理机构、空中交通管理部门、机场驻场相关单位、军民合用机场军航场站、广电、气象、通信等单位应当建立沟通协作机制,协商解决电磁环境保护问题,确保民用航空无线电频率的正常使用。
第八条 任何单位和个人不得从事影响民用机场电磁环境保护的活动。对影响民用机场电磁环境保护的行为,应主动积极向公安机关、无线电管理机构及机场管理机构等举报。接到举报的部门应当依法处理,并为举报人保密。
第二章 民用机场电磁环境保护区域的划定
第九条 民用机场电磁环境保护区域的划定,应当符合民用航空无线电台(站)电磁环境保护的相关标准,满足民用航空无线电台(站)建设布局及安全运行需要。
第十条 无线电管理机构、民航青海安全监督管理机构按照国家有关规定及标准,会同机场管理机构和空中交通管理部门共同划定、调整并公布民用机场电磁环境保护区域,设置保护标志。
第十一条 新建民用机场电磁环境保护区域和因机场改(扩)建导致机场电磁环境保护区域发生变化的,机场管理机构应当及时将最新的机场电磁环境保护区域报当地政府有关部门备案。无线电管理机构应会同民航青海安全监督管理机构参照本规定向社会进行补充公告。
第十二条 民用机场电磁环境保护区域,由设置在民用机场总体规划区域内的民用航空无线电台(站)电磁环境保护区域和民用机场飞行区电磁环境保护区域两部分组成(如下)。对于新建民用航空无线电台(站),项目建设单位应当在确定工程选址前对其选址进行电磁兼容分析和论证,并征求无线电管理机构的意见:
(一)设置在民用机场总体规划区域内的民用航空无线电台(站)电磁环境保护区域包括:
1. 民用机场跑道所占用的矩形范围:长度以跑道中线的中点分别到跑道两端延长线的近距导航台或中指点标台(以大者为准)的距离,再各增加0.5千米;宽度为1千米,即以跑道中线及其两端延长线为基准,分别向两侧延伸0.5千米;
当民用机场不设置近距导航台或中指点标台,该矩形的长度从跑道中线的中点分别到跑道两端的距离,再各增加0.5千米;宽度为1千米,即以跑道中线及其两端延长线为基准,分别向两侧延伸0.5千米;
2. 民用机场规划用地范围,指经省人民政府与地区民航主管部门共同审批的民用机场远期发展规划用地范围;
3. 设置在民用机场规划用地范围内的无线电台(站),其电磁环境保护区域超出本项第1、2目规定的范围的,按无线电台(站)电磁环境保护相关规定和技术标准执行。
(二)民用机场飞行区电磁环境保护区域,按照以下办法划设:
1.对于可供 D 类和 D 类以上航空器使用的单跑道机场,以跑道两端入口为圆心、13千米为半径的弧和与两条弧线相切的跑道的平行线围成的区域;
2. 对于仅供C 类和C 类以下航空器使用的机场,确定办法与本项第1目相同。但是该目中以跑道两端入口为圆心的弧的半径及应当包含的以机场管制地带基准点为圆心的圆的半径应当为10千米;
3. 对于仅供B 类和 B 类以下航空器使用的机场,以机场管制地带基准点为圆心、10千米为半径的圆;
4.对于需要建立特殊进近运行程序的机场,根据需要适当放宽。
第十三条 设置在民用机场电磁环境保护区域外的民用航空无线电台(站),其电磁环境保护区域按照以下规定划设:
(一)无方向信标台:以天线中心为基准点,半径0.5千米的圆形区域。
(二)常规全向信标台:以常规全向信标台天线基础中心为基准点,以天线基础水平面为基准面,半径0.5千米的圆形区域为核心保护区,针对有源干扰进行保护;半径0.5千米至5千米范围内的障碍物相对于基准面的垂直张角不超过2度。
(三)多普勒全向信标台:以多普勒全向信标台天线基础中心为基准点,以天线反射网平面为基准面,半径0.5千米的圆形区域为核心保护区,针对有源干扰进行保护;半径0.5千米至5千米范围内为保护限制区,该区域内的障碍物相对于基准面的垂直张角不超过2.5度。
(四)常规测距仪台:以测距仪天线中心为基准点,以测距仪天线中心点水平面为基准面,半径0.5千米的圆形区域为核心保护区,针对有源干扰进行保护;半径0.5千米至5千米范围内为保护限制区,该区域内的障碍物相对于基准面的垂直张角不超过2.5度。
(五)雷达台站(近/远程一次监视雷达、二次监视雷达):以雷达天线中心为基准点,半径1.61 千米的圆形区域。同时,对于空管二次监视雷达16千米范围内不应有影响雷达正常工作的大型旋转反射物体,如风力涡轮发电机等。
(六)甚高频台:以甚高频天线为基准点,半径为1千米的圆形区域。同时,对于功率1千瓦以上的调频广播,防护间距应不小于6千米。
(七)广播式自动相关监视台:以广播式自动相关监视天线为基准点,半径0.8千米的圆形区域。
(八)气象雷达站台:以雷达天线中心为基准点,半径0.8千米的圆形区域。
第十四条 青海省现有民用机场电磁环境保护区域划定(附件2),新建、改(扩)建民用机场的电磁环境保护区域参照第十二条划定。
第三章 民用机场电磁环境保护和管理
第十五条 在民用航空无线电台(站)电磁环境保护区域,禁止从事下列影响民用机场电磁环境的活动:
(一)修建架空高压输电线、架空金属线、铁路、公路、电力排灌站;
(二)存放金属堆积物;
(三)种植高大植物;
(四)从事掘土、采砂、采石等改变地形地貌的活动;
(五)国务院民用航空主管部门规定的其他影响民用机场电磁环境的行为。
在民用机场飞行区域电磁环境保护区域内设置产生无线电波辐射的工业、科技、医疗设施,修建电气化铁路、高压输电线路等设施,主体单位应当征求民航青海安全监督管理机构的意见。
第十六条 任何单位和个人使用无线电频率,设置、使用无线电台(站),以及使用辐射无线电波的非无线电设备,应当遵守无线电管理有关规定。对民航无线电频率造成有害干扰的,涉事单位和个人应当立即采取有效措施,主动消除有害干扰,在排除有害干扰前,禁止使用该无线电发射设备或者其他仪器、装置。
第十七条 民用航空无线电频率受到干扰时,机场管理机构、空中交通管理部门等民航用频单位应当采取有效措施,消除民航系统内部可能产生的有害干扰,保证民航飞行安全;涉及民航系统外部的有害干扰,应当通报当地无线电管理机构和民航青海安全监督管理机构。接到通报后,无线电管理机构应当及时查明原因,采取有效措施,依法查处。
第十八条 机场所在地无线电管理机构应当加强民用机场电磁环境保护区域保护性监测,按照无线电信号监测要求进行数据采集和备份,研判信号特征,及时发现和查处非法信号和有害干扰。
第四章 附 则
第十九条 凡违反本规定的,依照有关法律、法规、规章进行处罚。
第二十条 本规定下列用语含义如下:
(一)民用航空无线电台(站)电磁环境保护区域,是指为了保证民用机场通信、导航、监视等设施设备正常工作,按照相关的国家标准、行业标准或者技术规范在其周围划定的限制电磁干扰信号和电磁障碍物的区域和空间范围。
(二)民用航空无线电台(站),是指使用民用航空无线电频率,用于航空无线电导航或者航空移动业务,在地面(陆地)、船舶或者海上工作平台上设置的无线电台(站)。
(三)民用航空无线电频率,是指在《中华人民共和国无线电频率划分规定》中,划分给航空无线电导航和航空移动业务的频率以及国家或地方无线电管理机构具体指配给某航空无线电台(站)使用的频率。
(四)民用机场飞行区电磁环境保护区域,是指影响民用航空器运行安全的机场电磁环境区域,即民用机场管制地带内从地表面向上的空间范围。
(五)机场管制地带基准点,是指机场跑道的基准点,位于主跑道中线的中点。若机场导航设施距离机场基准点小于1千米时,也可以将该导航设施位置点作为管制地带基准点。
第二十一条 本规定由青海省无线电管理机构和民航青海安全监督管理机构共同负责解释。
第二十二条 本规定自发布之日起施行。《青海省人民政府办公厅转发省无线电管理委员会民航青海安全监督管理局〈关于青海省民用机场电磁环境保护管理规定〉的通知》(青政办〔2012〕204号)同时废止。
附件:1.可能影响民用机场和民用航空无线电台(站)电磁环境保护的情形
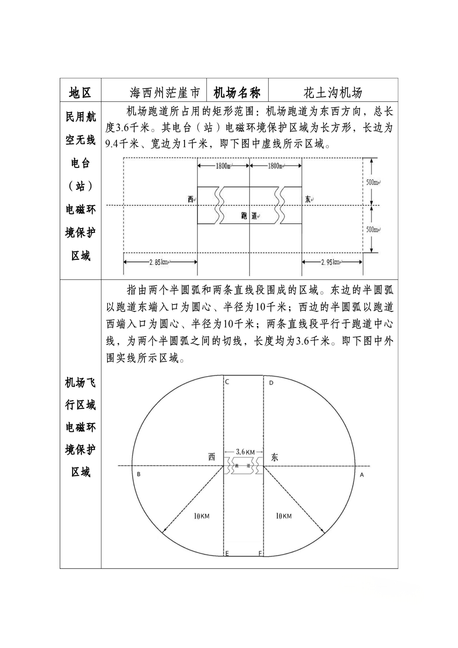
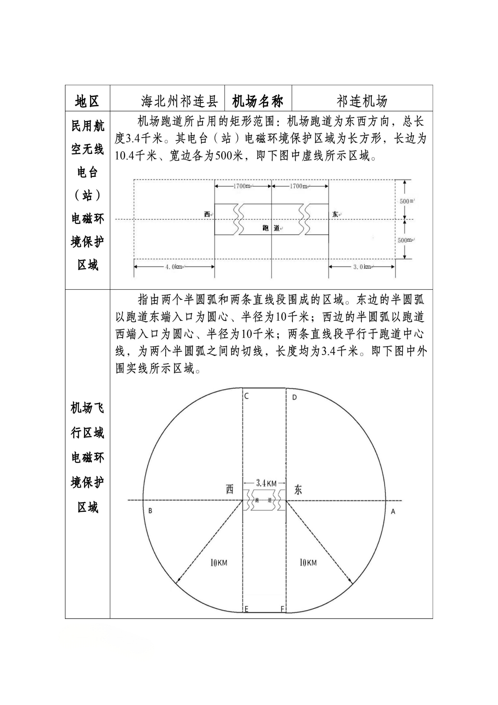
2.青海省内各机场电磁环境保护区域








